제 품 소 개

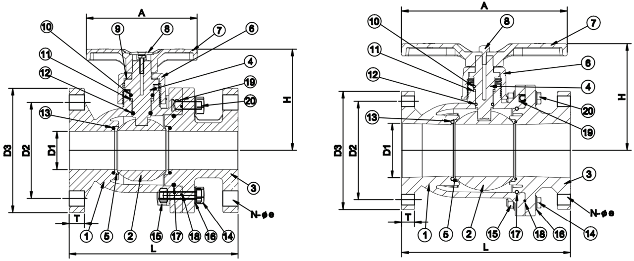
TWO-PIECE STRONG TYPE BALL VALVE FLANGE TYPE(CF300)

 2(TWO)몰드로 연결하여 생산된 밸브로 강력한 강도를 가지며, 하자가 발생하지 않는 장점이 있습니다.


CUSTOMER CENTER
Tel 051-831-6063
Fax 051-831-6065
· 평 ~ 금 : 오전8시 ~ 오후5시
· 토,일,공휴일 : 휴무

부산광역시 강서구 미음산단로 92번길 20 한성금속   Tel. 051-831-6063   Fax. 051-831-6065

사업자등록번호  606-86-49197   대표  박남권  E-mail  hsv6064@hanmail.net

COPYRIGHT ⓒ 2025 (주)한성밸브. ALL RIGHTS RESERVED

이용약관      |       개인정보처리방