제 품 소 개

TRUE UNION BALL VALVE (안전블록형 Safety Block Type)

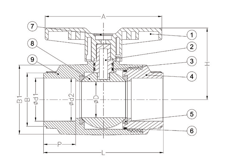
* 볼이 장착된 한쪽 면이 금형(Mould)으로 제작되어 있어 유체압력이 높아도 볼이 밀려나지 않아 하자가 발생하지 않습니다.

* 밸브를 설치할 경우 유체 방향과 볼 밸브에 표시된 화살표 방향이 동일한 방향으로 설치합니다.

CUSTOMER CENTER
Tel 051-831-6063
Fax 051-831-6065
· 평 ~ 금 : 오전8시 ~ 오후5시
· 토,일,공휴일 : 휴무

부산광역시 강서구 미음산단로 92번길 20 한성금속   Tel. 051-831-6063   Fax. 051-831-6065

사업자등록번호  606-86-49197   대표  박남권  E-mail  hsv6064@hanmail.net

COPYRIGHT ⓒ 2025 (주)한성밸브. ALL RIGHTS RESERVED

이용약관      |       개인정보처리방