Tel
051-831-6063
Fax
051-831-6065
· 평 ~ 금 : 오전8시 ~ 오후5시
· 토,일,공휴일 : 휴무
· 토,일,공휴일 : 휴무
· email : hsv6064@hanmail.net
제 품 소 개
Acturator
상품 사진
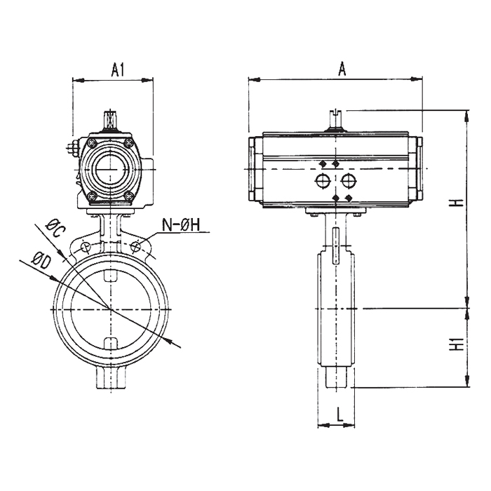
도면 사진
Dimension
Flange Drilling
부산광역시 강서구 미음산단로 92번길 20 한성금속
Tel. 051-831-6063 Fax. 051-831-6065
사업자등록번호 606-86-49197
대표 박남권 E-mail hsv6064@hanmail.net
COPYRIGHT ⓒ 2025 (주)한성밸브. ALL RIGHTS RESERVED
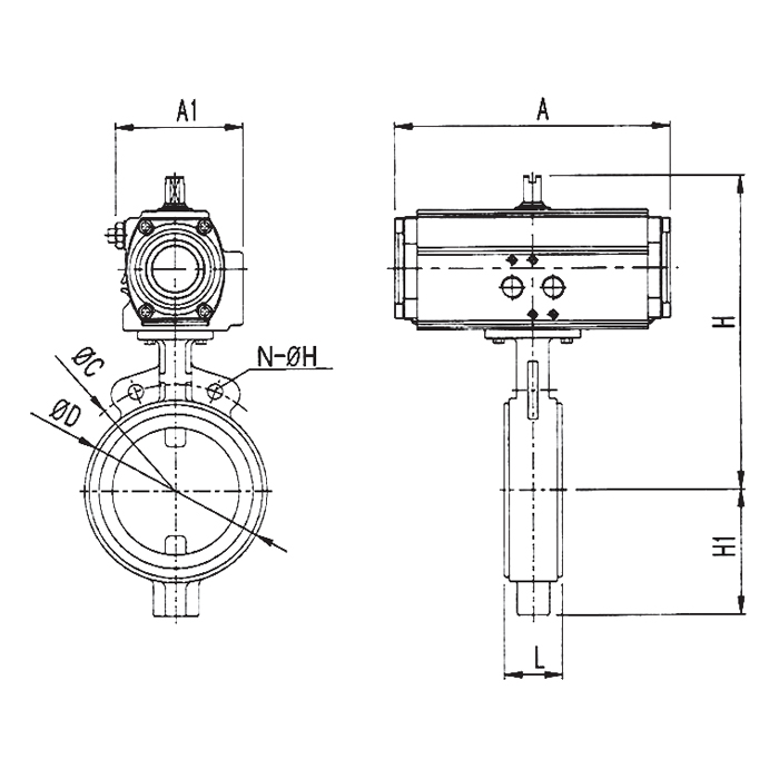
도면 사진
Dimension
| Valve Size | 40A ~ 600A | ||||||
| Actuator Model | HD50 ~ HD200 | ||||||
| Actuator Type | Double Acting | ||||||
| Operation Media | Compressed Dry Air | ||||||
| Operating Pressure | 4 ~ 7 kg/㎠ | ||||||
| Rotating Angle | 90° ± 5° | ||||||
| Fluid Temperature | 0℃ ~ 85℃ (-20℃ ~ 200℃) | ||||||
| Rating | JIS (SCS13)/Body | ANSI 150# Wafer | |||||
| Body Material | FC (SCS13)/Body | SCS13 (SCS14)/Disc | EPDM (PTFE)/Seat | ||||
| Accessory | Solenoid Valve, Air Filter Regulator, Limit Switch Box, E/P Positioner | ||||||
Flange Drilling
| Model | Size | A | A1 | H Approx | H1 | L | ||||
| inch | mm | ∅D | C | N-∅H | ||||||
| HD50-40BF | 1.5 | 40 | 162 | 75 | 215 | 58 | 41 | 86 | 105 | 4-19 |
| HD50-50BF | 2 | 50 | 162 | 75 | 217 | 65 | 43 | 105 | 120 | 4-19 |
| HD50-65BF | 2.5 | 65 | 162 | 75 | 227 | 71 | 46 | 114 | 140 | 4-19 |
| HD50-80BF | 3 | 80 | 202 | 89 | 256 | 83 | 46 | 129 | 150 | 8-19 |
| HD65-100BF | 4 | 100 | 202 | 89 | 270 | 100 | 52 | 155 | 175 | 8-19 |
| HD80-125BF | 5 | 125 | 262 | 101 | 300 | 110 | 56 | 180 | 210 | 8-23 |
| HD80-150BF | 6 | 150 | 262 | 101 | 314 | 130 | 56 | 207 | 240 | 8-23 |
| HD100-200BF | 8 | 200 | 311 | 129 | 390 | 163 | 60 | 260 | 290 | 12-23 |
| HD100-250BF | 10 | 250 | 311 | 129 | 428 | 227 | 68 | 331 | 355 | 12-25 |
| HD125-300BF | 12 | 300 | 390 | 151 | 482 | 252 | 78 | 377 | 400 | 16-25 |
| HD140-350BF | 14 | 350 | 431 | 164 | 510 | 272 | 78 | 416 | 445 | 16-25 |
| HD160-400BF | 16 | 400 | 506 | 189 | 585 | 343 | 102 | 475 | 510 | 16-27 |
| HD160-450BF | 18 | 450 | 506 | 189 | 625 | 366 | 114 | 535 | 565 | 20-27 |
| HD200-500BF | 20 | 500 | 605 | 231 | 783 | 421 | 127 | 590 | 520 | 20-27 |
| HD200-600BF | 24 | 600 | 605 | 231 | 870 | 439 | 154 | 695 | 730 | 24-33 |