Tel
051-831-6063
Fax
051-831-6065
· 평 ~ 금 : 오전8시 ~ 오후5시
· 토,일,공휴일 : 휴무
· 토,일,공휴일 : 휴무
· email : hsv6064@hanmail.net
제 품 소 개
Gear
상품 사진
도면 사진
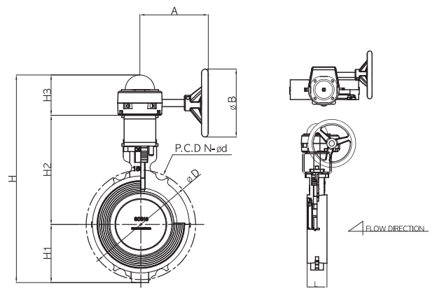
Dimension
도면 사진
제품 특징
Dimension
| Size | Dimension(mm) | ||||||||||
| mm | inch | L | ∅D | PCD(N-∅ d) | A | ∅B | H1 | H2 | H3 | H | |
| 32/40 | 1.25 / 1.5 | 37 (35) | 86 | 100 | 4-∅ 19 | 151 | 150 | 66 | 159 | 94 | 319 |
| 50 | 2 | 44 (39) | 99 | 120 | 4-∅ 19 | 151 | 150 | 64 | 162 | 94 | 320 |
| 65 | 2.5 | 44 (39) | 119 | 140 | 4-∅ 19 | 151 | 150 | 71 | 173 | 94 | 338 |
| 80 | 3 | 44 (39) | 129 | 150 | 8-∅ 19 | 151 | 150 | 78 | 177 | 94 | 349 |
| 100 | 4 | 52 (48) | 152 | 175 | 8-∅ 19 | 151 | 150 | 91 | 186 | 94 | 371 |
| 125 | 5 | 62 (54) | 184 | 210 | 8-∅23 | 151 | 150 | 109 | 209 | 94 | 412 |
| 150 | 6 | 62 (54) | 214 | 240 | 8-∅23 | 151 | 150 | 128 | 224 | 94 | 446 |
| 200 | 8 | 75 (68) | 260 | 290 | 12-∅ 23 | 232 | 250 | 156 | 264 | 115 | 535 |
| 250 | 10 | 92 (78) | 321 | 355 | 12-∅ 25 | 232 | 250 | 198 | 305 | 115 | 618 |
| 300 | 12 | 100 | 362 | 400 | 16-∅ 25 | 357 | 300 | 224 | 344 | 123 | 691 |
| 350 | 14 | 107 / 101 | 410 | 445 | 16-∅ 25 | 357 | 300 | 252 | 371 | 123 | 746 |
| 400 | 16 | 120 / 102 | 480 | 510 | 16-∅ 27 | 357 | 351.5 | 354 | 471 | 123 | 948 |
| 450 | 18 | 120 / 112 | 530 | 565 | 20-∅ 27 | 357 | 351.5 | 379 | 496 | 123 | 998 |
| 500 | 20 | 120 / 124 | 590 | 620 | 20-∅ 27 | 357 | 351.5 | 364 | 535 | 123 | 1022 |
| 550 | 22 | 120 | 640 | 680 | 20-∅ 33 | 357 | 351.5 | 417 | 560 | 123 | 1100 |
| 600 | 24 | 140 | 690 | 730 | 24-∅ 33 | 357 | 351.5 | 445 | 582 | 123 | 1150 |
* L은 표준 면간치수, FCD / SCPH2 / SUS의 면간치수를 나타냄
* ( )는 가공 가능한 면간 치수를 나타냄
* 32/40 ~ 200mm 10K/20K 공용바디 사용
* 최대 규격 800mm까지 제품 생산
부산광역시 강서구 미음산단로 92번길 20 한성금속
Tel. 051-831-6063 Fax. 051-831-6065
사업자등록번호 606-86-49197
대표 박남권 E-mail hsv6064@hanmail.net
COPYRIGHT ⓒ 2025 (주)한성밸브. ALL RIGHTS RESERVED